Introduction
This bulletin reflects the opinion of the Danish Accident Investigation Board regarding the circumstances of the occurrence and its causes and consequences.
In accordance with the provisions of EU Regulation 996/2010, the Danish Air Navigation Act and pursuant to Annex 13 of the International Civil Aviation Convention, the safety investigation is of an exclusively technical and operational nature, and its objective is not the assignment of blame or liability.
The safety investigation was carried out without having necessarily used legal evidence procedures and with no other basic aim than preventing future accidents and serious incidents.
Consequently, any use of this bulletin for purposes other than preventing future accidents and serious incidents may lead to erroneous or misleading interpretations.
A reprint with source reference may be published without specific permission.
General
|
State file number: |
2024-386 |
|
UTC date: |
29-7-2024 |
|
UTC time: |
15:17 |
|
Occurrence class: |
Accident |
|
Location: |
58 nautical miles (nm) south-west of Narsarsuaq (BGBW) |
|
Injury level: |
None |
|
Aircraft registration: |
D-EOSE |
|
Aircraft make/model: |
Piper PA-46-310P |
|
Current flight rules: |
Instrument Flight Rules (IFR) |
|
Operation type: |
Private |
|
Flight phase: |
Descending |
|
Aircraft category: |
Fixed wing |
|
Last departure point: |
Goose Bay (CYYR) |
|
Planned destination: |
BGBW |
|
Aircraft damage: |
Completely inaccessible |
|
Engine make/model: |
1 x Teledyne Continental TSIO-520-BE2G |
Synopsis
Notification
All time references in this bulletin are Coordinated Universal Time (UTC).
The Area Control Centre in Copenhagen (EKCH) notified the Aviation Unit of the Danish Accident
Investigation Board (AIB) of the accident on 29-7-2024 at 13:37 hours (hrs).
The AIB notified the Danish Civil Aviation and Railway Authority (DCARA), the US National
Transportation Safety Board (NTSB), the German Federal Bureau of Aircraft Accident Investigation (BFU), the European Aviation Safety Agency (EASA), and the Directorate-General for Mobility and Transport (DG MOVE) on 29-7-2024 at 19:03 hrs.
Summary
An engine failure during descent resulted in a ditching off the south-west coast of Greenland. The AIB could not determine the exact cause of the engine failure, but it was likely due to a seeping oil leak.
A combination of the following factors made the accident survivable:
- The pilot declared an urgency followed by an emergency to Air Traffic Service (ATS), and a nearby Royal Danish Air Force (RDAF) surveillance aircraft obtained visual contact with the gliding aircraft.
- The pilot successfully landed the aircraft on calm sea.
- The pilot and the passenger wore survival suits and carried a life raft on board which they boarded upon safely evacuating the aircraft.
- After 50 minutes, personnel from a nearby Royal Danish Navy (RDN) inspection ship arrived and rescued the pilot and passenger.
The accident occurred in daylight and under Visual Meteorological Conditions (VMC).
Factual information
History of flight
The accident occurred on a private IFR flight from Goose Bay (CYYR) to Narsarsuaq (BGBW).
The day before the accident, the pilot and passenger arrived in CYYR and prepared the aircraft for the next day departure.
On the morning of the accident flight, the pilot performed a preflight inspection of the aircraft without remarks, including an oil level indication “full”, and the aircraft departed for BGBW.
The initial cruise level was Flight Level (FL) 210, but after a short while, Air Traffic Control (ATC) instructed the pilot to descend to FL 180.
The pilot set the cruise power to 65% (26.5” Manifold Pressure (MP) and 2,400 revolutions per minute (rpm)), and the Fuel Flow (FF) leaned to 14 US gallons per hour (gph) with a Turbine Inlet Temperature (TIT) of 50° Fahrenheit (F) Lean of Peak (LOP).
The weather en route was “nice” and mostly VMC, and the Outside Air Temperature (OAT) at FL 180 was approximately -10° to -15° Celsius (C).
The pilot contacted Nuuk Information (ATS unit Flight Information Center (FIC) Nuuk) when the aircraft entered Nuuk Flight Information Region (FIR).
At 13:04 hrs, in preparation for landing in BGBW, the pilot reported a descent from FL 180 to 11,000 feet (ft) inbound to the IFR reporting point SIMNI (located at the Greenlandic coastline, 45 nm south-west of BGBW). The pilot initiated a 500 feet per minute (fpm) descent and kept the cruise power setting at 65%.
While passing FL 160, the pilot and the passenger briefly noticed an “unusual, electrical, and not very strong smell”. The cabin altitude started increasing by a rate of 3,000 fpm, and the pilot realised “something was wrong”.
Shortly after, the CABIN ALTITUDE annunciator warning light illuminated, indicating a cabin altitude above 10,000 ft.
As the aircraft was below an altitude of 15,000 ft and descending, the pilot considered the time of useful consciousness and opted not to don the oxygen masks.
At 13:16 hrs, the pilot declared an urgency situation to Nuuk Information: “Pan-Pan, Pan-Pan, Pan-Pan. We have an air conditioning problem and a low oil pressure indication”.
The MP dropped from 26” to 17-18” and the pilot moved the throttle lever forward without any effect. All Cylinder Head Temperatures (CHT) indicated “normal and balanced”, and the pilot moved the mixture control full forward to the rich position. The engine almost stopped, and the pilot retarded the mixture control back to the previous position. The aircraft pitch was adjusted to obtain the best glide airspeed of 90 knots (kt).
At 13:17 hrs, while descending through 12,000 ft, the pilot declared a distress situation to Nuuk Information: “Mayday, Mayday, Mayday. We have high rpm now and will try to make it to the shore”.
The pilot activated the aircraft Emergency Locator Transmitter (ELT).
A surveillance aircraft from the RDAF and an inspection ship from the RDN were on patrol in the area. The Danish Armed Forces Arctic Command allocated both to provide assistance.
While descending through 7,000 ft altitude, the propeller rpm increased to 3,000 rpm, and 30 seconds later, the oil pressure indicated zero. The pilot pulled back the mixture handle to the idle/cut-off position and stopped the engine to avoid major mechanical damage.
The pilot observed on his knee-mounted tablet that the predicted gliding distance of the aircraft fell short of the coastline. At 13:26 hrs, the pilot informed Nuuk Information of the expected ditching position: 60 30N 046 45W. See appendix 1.
The pilot and the passenger prepared to ditch by checking the location of the life raft in the cabin, zipping up their survival suits (which they were already wearing up to their waists), and tightening their seat belts.
At 13:29 hrs, as the aircraft was passing 3,300 ft descending, the RDAF surveillance aircraft spotted the aircraft gliding on a north-easterly course over a low overcast. See appendix 2.
At approximately 1,700 ft, the aircraft entered the cloud layer, and exited below at approximately 700 ft.
The RDAF surveillance aircraft lost sight of the aircraft as it entered the cloud layer. In order to safely descend below the cloud layer in VMC, the flight crew of the RDAF surveillance aircraft had to fly to the coastline, descend, and fly back towards the expected ditching position below the cloud layer.
The visibility below the cloud layer was “good”, and the sea surface had “only low swells”.
At 13:33 hrs, the pilot selected flap setting 2 (20°), slowed down the aircraft to minimum airspeed, and flared the aircraft straight ahead. The aircraft bounced slightly on the sea surface once, before hitting the sea surface a second time. The aircraft decelerated fairly abruptly – “similar to a hard brake in a car” – and stopped in a wings-level position, floating on the surface.
The pilot and the passenger released their seat belts, went into the aft cabin, and opened the top part of the aircraft entrance door, which was above the water level.
They manoeuvred the life raft through the entrance door into the water and inflated the raft. The pilot and the passenger threw a few personal items into the raft and stepped directly from the aircraft into the raft.
At 13:40 hrs, at position 60 34N 046 50W, the RDAF surveillance crew spotted the life raft with the pilot and passenger. See appendix 3.
For the next 45 minutes, the RDAF surveillance aircraft circled overhead the life raft.
At approximately 14:00 hrs, the pilot contacted Nuuk FIC via satellite telephone.
At 14:23 hrs, a rescue crew in a rigid-hulled inflatable boat (RHIB) dispatched from the RDN inspection ship and picked up the pilot and passenger. See appendix 4.
The aircraft sank approximately 2 hours after the ditching.
Injuries to persons
|
Injuries |
Crew |
Passengers |
Others |
|
Fatal |
|
|
|
|
Serious |
|
|
|
|
None |
1 |
1 |
|
Damage to aircraft
The aircraft sank shortly after ditching.
Video recordings and pictures of the aircraft indicated no external damage to the aircraft nor any traces of oil or fuel spillage on the fuselage.
Personnel information
License and medical certificate
The pilot – male, 56 years – held a valid European Union Airline Transport Pilot License (Airplane) (ATPL(A)).
The rating Single Engine Piston (Land)/Instrument Rating (SEP(L)/IR) was valid until 31-5-2025.
The medical certificate (class 1) was valid until 20-10-2024.
Flying experience
|
|
Last 24 hours |
Last 90 days |
Total |
|
All types |
- |
70 |
17,802 |
|
This type |
- |
25 |
107 |
|
Landings this type |
- |
- |
- |
The passenger was an aeronautical engineer and in addition held a valid Private Pilot License (Airplane) (PPL(A)).
|
|
Last 24 hours |
Last 90 days |
Total |
|
All types |
- |
|
963 |
|
This type |
- |
32 |
131 |
|
Landings this type |
- |
- |
- |
Aircraft information
General information
|
Manufacturer: |
Piper Aircraft Inc. |
|
Type: |
PA-46-310P (Malibu) |
|
Serial number: |
4608010 |
|
Airworthiness review certificate: |
Expiry date 29-11-2024 |
|
Engine manufacturer: |
Teledyne Continental |
|
Engine type: |
TSIO-520-BE2G |
|
Engine serial number: |
1006907 |
|
Propeller manufacturer: |
Hartzell |
|
Propeller type: |
F8052K |
|
Maximum take-off mass (MTOM): |
4,100 lbs/1,864 kg |
|
Maximum landing mass (MLM): |
3,900 lbs/1,773 kg |
|
Fuel on board (TO): |
118 US gal |
|
Aircraft total hours: |
3,590 Flight Hours (FH)/5,299 Hobbs hrs |
|
Latest maintenance: |
12-6-2024 (50 hrs inspection) |
The pilot and the passenger were joint owners of the aircraft. They had flown the aircraft from their home base in Germany to the United States (US) to attend an AirVenture in Oshkosh, Wisconsin. They were returning to Germany when the accident occurred.
Engine and oil system
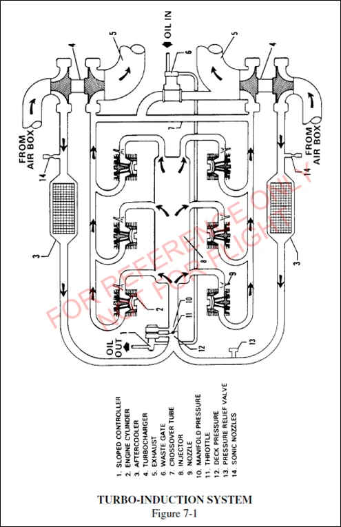
The six-cylinder piston engine was fuel injected, and equipped with dual turbochargers.
The turbochargers provided compressed air to the cylinders and through two sonic nozzles to the aircraft cabin pressurisation system.
The aircraft Pilot’s Operating Handbook (POH) Figure 7-1 was a schematic of the turbo-induction system. See appendix 5.
The oil system provided cooling and lubrication to the engine and the turbochargers, and provided oil for controlling the propeller governor and the waste gate by means of an engine-driven oil pump. Engine oil sump capacity was 8 US quarts (qt). According to the POH, maximum endurance flights should begin with 8 US qt of oil.
Power plant limitations
The aircraft POH section 2 stated (in extract):

Power setting table 5-21. See appendix 6.
Engine and oil data
On 14-9-2012, the engine manufacturer rebuild and installed the engine on the aircraft. The recommended Time Between Overhaul (TBO) for the engine was 2,200 FH or 12 calendar years.
From the time of the rebuilt and until the owners bought the aircraft in 2019, the aircraft accumulated approximately 600 FH.
From 2019 and until the time of the accident, the aircraft accumulated approximately 150 additional FH.
According to the aircraft owners, the engine oil consumption “was very low”.
The trip from the owners’ home base in Germany to the US, and back for the departure from CYYR, accumulated approximately 40 FH, with a total oil consumption of 1 US qt.
Before each flight, the owners normally filled the oil level to 8 qt.
On the flight before the accident flight, from Rimouski (CYXK) to CYYR, the pilot added 0.2 US qt of oil during the preflight inspection to reach a total of 8 qt.
The preflight inspection performed before the accident flight indicated an oil level of 8 qt, so the pilot added no oil before the accident flight.
Engine parameters during flight
The owners stated that CHT during cruise was normally in the 290–340°F range with a power setting of 65% and a TIT 50°F LOP.
On the accident flight, the pilot and the passenger made the following observation, "We were well in the green range all the time. We didn’t notice any deviations from normal behaviour at any time. Both EGT and CHT temperatures of the six cylinders were plausible and balanced all the time."
Maintenance history
During the ownership period, from 2019 until and the time of the accident, the owners had not performed any unscheduled maintenance actions on the engine, apart from a preventive replacement of six valve lifters in 2021. The reason for the replacement of the six valve lifters was information from another aircraft owner about potential corrosion to these parts.
The latest maintenance action was a regular 50 FH inspection, performed on 12-6-2024 at 5,252 Hobbs hrs. The inspection did not give rise to any remarks.
Mass and balance
The pilot performed a mass and balance calculation on the day before the flight:
|
|
Mass |
Limit |
CG |
FWD/AFT |
|
Basic Empty Mass |
1,304 |
- |
135.4 |
132.6 / 147.1 |
|
Payload |
240 |
465 |
- |
- |
|
Zero Fuel Mass |
1,544 |
1,769 |
141.8 |
134.9 / 147.1 |
|
Fuel |
321 |
840 |
- |
- |
|
Ramp Mass |
1,865 |
1,868 |
143.2 |
- |
|
Taxi Fuel |
8 |
- |
- |
- |
|
Take-off Mass |
1,857 |
1,860 |
143.2 |
143.2 / 147.1 |
|
Fuel To Destination |
185 |
- |
- |
- |
|
Landing Mass |
1,672 |
1,769 |
142.4 |
136.2 / 147.1 |

Figure 1. Mass and balance envelope
Meteorological information
BGBW was located 58 nm north-east of the accident site.
Terminal Aerodrome Forecast (TAF)
|
TAF BGBW |
291111Z 2912/2921 VRB06KT 9999 FEW010 PROB40 2912/2914 SCT003 BKN010= |
Aviation Routine Weather Weather Report (METAR)
|
METAR BGBW |
291350Z 23012KT 9999 FEW016 09/06 Q1005= |
|
METAR BGBW |
291250Z 22006KT 190V260 9999 FEW013 10/05 Q1005= |
Preflight planning weather charts
The electronic flight planning software program presented different weather charts for preflight planning purposes.
For “Vertical Cross Section Chart”, “Significant Weather Chart” and “Wind/Temp/Turb Chart”. See appendix 7.
Communication
The pilot was in radio contact with Nuuk Information (121.300 Megahertz (MHz)).
The AIB obtained a copy of the relevant ATS audio recording. The recording was of good quality and useful to the AIB safety investigation.
Aerodrome information
General information
|
Aerodrome: |
BGBW |
|
Aerodrome Reference Point: |
61 09 38.59N 045 25 32.43W |
|
Elevation: |
112 ft |
|
Runway directions: |
06/24 |
|
Runway dimensions |
1,830 metres (m) x 45 m |
|
Runway surface: |
Concrete |
Flight recorders
The aircraft had a JPI EDM-930 Primary Engine Monitor installed, which recorded selected engine and flight parameters. The AIB obtained recordings of the two latest recorded flights, performed on 29-6-2024, with routings from Itzehoe (EDHF) to Bornholm/Ronne (EKRN) and back. The data were of good quality and useful to the AIB safety investigation.
The data presented engine power output, and FF and CHT indications, all within the normal operating ranges (green arcs).
The AIB obtained photo, video, and audio recordings from the RDAF surveillance aircraft and photo recordings from the local police. The recordings were of good quality and useful to the AIB safety investigation.
Wreckage and impact information
The sea surface was fairly calm with only minor waves/swells, and the aircraft did not break upon landing.
The aircraft remained floating upright, allowing the pilot and the passenger to evacuate safely. Water ingress made the aircraft sink slowly.
When the RDN inspection ship arrived at the ditching position, they assessed the aircraft as not salvageable due to risk to personnel. The aircraft subsequently sank, and they salvaged only two seat cushions and some loose items, such as engine covers and window blinds.
The sea depth at the ditching position was between 75–500 m.
Video recordings and pictures of the aircraft did not reveal any traces of oil or fuel spillage on the fuselage or on the sea surface around the aircraft.
Survival aspects
The pilot and the passenger both wore three-point shoulder and lap seat belts. The seat belts and the seat belt attachments remained intact, and the pilot and passenger did not hit any part of the aircraft structure/glareshield during ditching.
Survival equipment
Before the flight, both the pilot and the passenger partially donned a full-body survival (immersion) suit, which they wore during the flight.
Additional onboard survival equipment included an inflatable life raft with an ELT, two personal locator beacons (PLB), a satellite telephone, emergency flares, and a floating high-intensity Light Emitting Diode (LED) SOS flare.
Search and Rescue
The Joint Rescue Coordination Centre (JRCC) Greenland coordinated the Search and Rescue (SAR) mission.
They redirected a commercially operated Airbus H155 helicopter, forming part of the SAR standby-fleet, to participate in the SAR mission.
After the rescue, an RDN onboard medical doctor examined the pilot and the passenger. The examination revealed no physical signs of injury or hypothermia
Analysis
General
To the AIB, the following findings had no negative influence on the sequence of events:
- Flight crew licenses, qualifications and aircraft type flying experience
- Aircraft mass and balance
- Preflight planning
The weather conditions were in line with the forecasted conditions, and the majority of the flight was in VMC, reducing the risk of engine inlet icing. The cruising level OAT, ranging from -10°C to -15°C, should not pose any issues for normal engine operation.
Engine maintenance history
The engine was maintained in accordance with the manufacturer’s recommendations, including TBO.
Engine data from previous flights did not present any abnormal indications.
The engine oil consumption prior to the accident flight did not give rise to remarks.
Engine failure scenario
Based on the available factual data, the AIB has been unable to determine the exact cause of the engine failure with certainty.
It is possible that the engine failure started with a leakage in the oil system, or as a result of a single turbocharger failure causing an oil leak.
If there was an oil leakage, the leaked oil likely burned/evaporated internally in the engine, in the exhaust, or in the turbochargers, as no external traces of oil were visible on the aircraft nor on the sea surface following the ditching.
The time elapsed from the first indication of a problem and until the high propeller rpm necessitated an engine shutdown pointed towards a seeping oil leakage.
During the sequence of events, the pilot and passenger did not observe any unusual increase in engine vibration, indicating fully integrity of the engine main components, i.e. likely no failure of the crankshaft, connecting rods, camshafts, valves, pistons, cylinders, crankcase etc.
Whether the “unusual, electrical smell” was the result of vapours from an oil leak, or it originated from elsewhere is difficult to determine from the available factual information.
A turbocharger failure, either as a result of loss of oil pressure or as a stand-alone turbocharger failure, would cause a loss of compressed air to both the aircraft cabin pressurisation system and the engine induction system.
The drop in MP was likely an indication of turbocharger failure.
When the pilot then enriched the mixture, the fuel-to-air ratio at that altitude possibly increased to a level that almost drowned the engine, as indicated by the engine almost stopping. This finding ruled out fuel starvation as the cause.
A few minutes later, the loss of oil possibly led to a lack of oil pressure in the propeller governor, causing low propeller pitch and high propeller rpm.
Finally, lack of oil/oil pressure led to a “zero” oil pressure indication, and the pilot had to stop the engine.
However, it has not been possible to determine if, how, or where an oil leakage occurred.
Survival aspects
The preparation for survival following an emergency landing in a hostile Arctic area was well-suited for the type of terrain along the route.
Both the pilot and the passenger wore full-body dry suits, and a canopy-type life raft was readily accessible in the aircraft cabin. This enhanced the possibility of surviving a successful ditching until being rescued by SAR personnel, especially if the occupants succeeded entering the life raft upon leaving the aircraft.
The array of aircraft-mounted and portable emergency communication equipment secured multiple distress communication means, both during flight and following an emergency, if the occupants were forced to leave the aircraft.
Search and rescue
The SAR mission started when the pilot declared a distress situation (MAYDAY).
The involved stakeholders quickly allocated the necessary resources, established areas of responsibility, and secured effective communication channels to locate and follow the aircraft almost until the ditching.
When the pilot and passenger were safely onboard the life raft, the RDAF surveillance aircraft personnel established the ditching position.
The RDN inspection ship decision to dispatch a RHIB instead of a helicopter to pick up the two survivors seemed balanced, accounting for the present weather, sea conditions, and distance to the ditching position.
Overall, the SAR mission was effective and successful. However, it should be acknowledged as a positive factor that both the RDAF surveillance aircraft and the RDN inspection ship happened to be in the vicinity when the accident occurred.
Conclusions
Summary
An engine failure during descent resulted in a ditching off the south-west coast of Greenland.
The AIB could not determine the exact cause of the engine failure, but it was likely due to a seeping oil leak.
A combination of the following factors made the accident survivable:
- The pilot declared an urgency followed by an emergency to ATS, and a nearby RDAF surveillance aircraft obtained visual contact with the gliding aircraft.
- The pilot successfully landed the aircraft on calm sea.
- The pilot and the passenger wore survival suits and carried a life raft on board, which they boarded upon safely evacuating the aircraft.
- After 50 minutes, personnel from a nearby RDN inspection ship arrived and rescued the pilot and passenger.
Appendices
Appendix 1
Appendix 2

Source: The RDAF.
Appendix 3
Appendix 4

Source: The RDAF.
Appendix 5
Appendix 6
Appendix 7
Contact the Accident Investigation Board
If you have any questions about this publication, please feel free to contact us.


.png)
.png)


.png)
.png)
.png)